Vẽ xin cấp phép xây dựng Thuận An có khó không ?
1. Vẽ Xin Cấp Phép Xây Dựng Thuận An Có Khó Không?
Đối với Cty Mạnh Toàn Thắng chúng tôi thì đó là một công việc rất bình thường, chúng tôi có một đội ngũ vẽ và xin cấp phép xây dựng Thuận An rất chuyên nghiệp, được chia ra làm 2 bộ phận, vẽ kiến trúc và vẽ kết cấu.
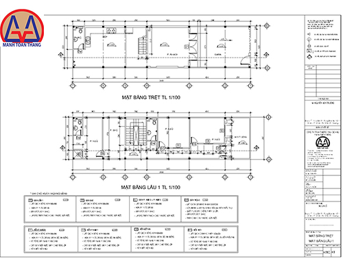
-Bản vẽ mặt bằng công trình, có tỷ lệ 1/100 – 1/500, kèm theo sơ đồ vị trí công trình.
-Bản vẽ mặt bằng các tầng , các mặt đứng, các mặt cắt công trình có tỷ lệ 1/100 – 1/200
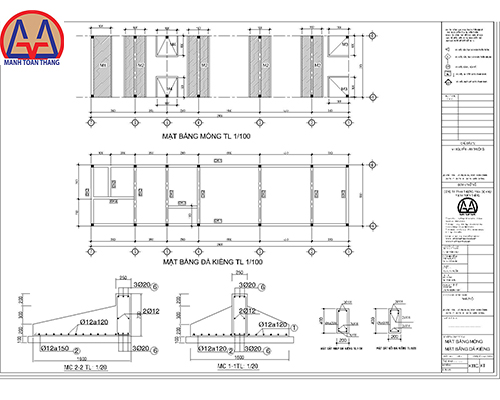
-Bản vẽ mặt bằng móng có tỷ lệ 1/100 – 1/200, các chi tiết mặt cắt móng có tỷ lệ 1/50
	
Vẽ xin cấp phép xây dựng Thuận An có khó không
2. Bảng Giá Xin Cấp Phép Xây Dựng Thuận An:
a, Trọn gói (Công ty sẽ vẽ bản vẽ, ủy quyền, nộp hồ sơ, khảo sát, lấy hồ sơ.)
| LOẠI CÔNG TRÌNH | |
| Nhà cấp 4 | 2.800.000đ | 
| Nhà 1 trệt 1 lầu | 3.000.000đ | 
| Nhà 1 trệt 2 lầu | 3.500.000đ | 
| Nhà 1 trệt 2 lầu trở lên | 4.000.000đ | 
| Nhà trọ dưới 8 phòng | 3.000.000đ | 
| Nhà trọ trên 8 phòng | 5.000.000đ | 
b, Chỉ bản vẽ + Hồ Sơ (Công ty vẽ bản vẽ cấp phép, làm hồ sơ xin phép, hướng dẫn chủ nhà đi nộp hồ sơ.)
| BẢN VẼ CẤP PHÉP XÂY DỰNG | |
| Bản vẽ nhà cấp 4 | 800.000đ | 
| Bản vẽ nhà 1 trệt 1 lầu | 1.000.000đ | 
| Bản vẽ nhà 1 trệt 2 lầu | 2.500.000đ | 
| Bản vẽ nhà 1 trệt 2 lầu trở lên | 3.000.000đ | 
| Bản vẽ nhà trọ dưới 8 phòng | 1.000.000đ | 
| Bản vẽ nhà trọ trên 8 phòng | 3.000.000đ | 
	
Bảng giá xin cấp phép xây dựng Thuận An
3. Thời Gian Vẽ Bản Vẽ Cấp Phép Xây Dựng Thuận An
- Khi chủ nhà đã làm việc với công ty xong - chúng tôi sẽ tiến hành vẽ bản vẽ xin giấy phép xây dựng ở Bình Dương. Thời gian là 1 ngày chậm nhất là 2 ngày.
- Trong thời gian 1-2 ngày chúng tôi sẽ hoàn thiện hồ sơ xin giấy phép xây dựng Bình Dương.
	
Thời gian vẽ bản vẽ xin cấp phép xây dựng Thuận An
Gọi ngay để được Kỹ Sư miễn phí
CÔNG TY TNHH TMDV MẠNH TOÀN THẮNG
Hotline: 0987 947 486 (Mr.Vũ)
Email: manhtoanthangxaydung@gmail.com
Địa chỉ: 17 DT 743C, Kp. Đông Tân, P. Dĩ An, TP. HCM
Google Maps: Click Tới Mạnh Toàn Thắng
 



Xem thêm